z6com人生就是博EN500变频器在挖沙船上的应用-变频器、伺服、PLC专业制造商-深圳z6com人生就是博电气技术股份有限公司

    z6com人生就是博

    退出

    访问者

    z6com人生就是博EN500变频器在挖沙船上的应用
    沙是建筑行业最基本的材料之一,需求量大。如何取得大量的沙,满足现代建筑的需求,在众多的取沙设备中,挖沙船是最广泛的使用设备之一。挖沙船在长江三角及珠江三角出海口分布比较多,挖沙船在江海口挖沙,可以生产很多的建筑用沙,其次可以疏通河道,避免大型沙滩的形成,便于大型船只停泊港口建设。

    沙是建筑行业最基本的材料之一,需求量大。如何取得大量的沙,满足现代建筑的需求,在众多的取沙设备中,挖沙船是最广泛的使用设备之一。挖沙船在长江三角及珠江三角出海口分布比较多,挖沙船在江海口挖沙,可以生产很多的建筑用沙,其次可以疏通河道,避免大型沙滩的形成,便于大型船只停泊港口建设。

    z6com人生就是博变频器以其高性能和高性价比优势已在挖沙船上大量应用,使企业取得了很大的经济效益,得到了客户的一致认可。下面,我们来介绍EN500型变频器在挖沙船上的节能改造应用。


    图片1.png

    设备介绍

    挖沙船的主要工作原理:该设备由船体、输送系统、进水系统、排空系统等组成,输送系统包括动力、离合器、抽沙泵等,排空系统包括高压水泵、抽真空装置等。挖沙船利用水力的作用,将高压水枪喷射出的水柱冲起的细沙、海沙等在水泵的作用下由管道输送到目的地。

    挖沙船的主要系统工艺:现在在入海口作业的大型挖沙船操作使用方法是:靠虹吸管从海底将泥沙吸到船上,然后经过清水清洗,对泥沙进行分离。左右轮斗将沙从清洗池运送到沙槽内,再顺利获得左右横向皮带将沙输送到运沙船上,完成挖沙的过程。由于工况需要吸沙管(虹吸管)、吸沙管(虹吸管)三脚架、容器斗、运输皮带输出都需要调速。


    官网.png

    官网2.png

    系统配置

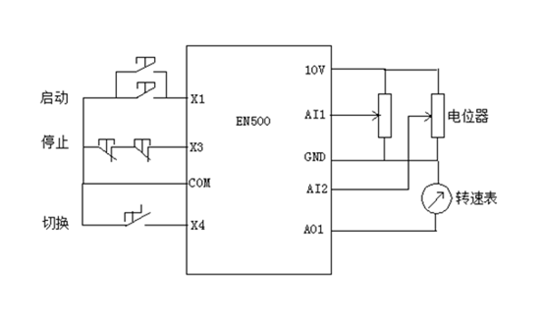
    该挖沙船传动系统使用了一台z6com人生就是博EN500-220KW变频器应用在挖沙装置上,驱动电机拖动超重负载实现无级调速。变频器采用外部端子三线制控制及外部电位器调速,满足两地远程均可启停调速。针对船上采用柴油机发电,电源质量不佳;船体走线过长,易引起干扰的环境特点,变频器加装了输入电抗器和输出电抗器以增加功率因素,抑制电磁干扰。

    图片4.png

    微信截图_20210820134607.png

    应用优势

    ·挖沙船采用z6com人生就是博EN500型变频器节能改造后,使电机启动电流小,对电网无冲击,低速时电能损耗小,起到了节能作用。在选取柴油发电机时功率可适当减小,节约了成本。

    ·系统顺利获得z6com人生就是博EN500高性能变频器的加持,使电机低频输出力矩大,拖动超重负载运行流畅无迟滞,控制电机实现无极调速,满足了不同生产要求,大大提高了生产效率。

    ·z6com人生就是博EN500型变频器具备缺相保护、欠压保护、过载保护、等智能保护功能,遇到水下有障碍物时,变频器对电机和柴油发电机都能起到有效的保护作用,使系统稳定可靠。







    返回
    我的会员
    商务咨询QQ
    技术支持QQ
    反馈意见